مهلة :
about 45ميناء الشحن :
Port of Xiamenقسط :
T/T or L/C
HEAVY DUTY Design CZ Interchangeable Purlin Machine
Popular in Russia and India market,welcomed by big steel structure companies.
(Max thickness 3.5 mm, Max width: 350 mm)



1.Main features of HEAVY DUTY Design CZ interchangeable purlin machine
The advantages of CZ interchangeable purlin machine are as follows:
1.Produce different purlin size without changing rollers or spacers.
2.Patented universal cutter,no need changing cutter for different size.
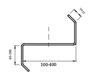
3.Thickness range: 1.5-3.5 mm, Width range: 100-350 mm
4.Infinite sizing(any size within machine range),help to save material
5.Optional Punch hole at any position of purlin web side and flange side
2.Detailed Images of HEAVY DUTY Design CZ interchangeable purlin machine
Machine Parts
1) HEAVY DUTY Design CZ interchangeable purlin machine punching system
Brand: BMS Original: China
Finely Control, punching and length error within 1mm


2) HEAVY DUTY Design CZ interchangeable purlin machine hydraulic pre-cutter


3) HEAVY DUTY Design CZ interchangeable purlin machine rollers
Rollers manufactured from high quality mold steel Cr12, CNC lathes, Heat Treatment.
with black treatment for options.
With feeding material guide, body frame made from 450# H type steel by welding

4) HEAVY DUTY Design CZ interchangeable purlin machine post cutter
Made by high quality mold steel Cr12 with heat treatment
Cutter frame made from high quality 30mm steel plate by welding
Pre-punching & Pre-cutting, stop to punch, stop to cut
hydraulic motor:7.5KW, Hydraulic pressure range: 0-16Mpa

5) HEAVY DUTY Design CZ interchangeable purlin machine decoiler
Manual Decoiler: one set
Un-powered,manually control steel coil inner bore shrinkage and stopMax. feeding width: 500mm, coil ID range 470mm±30mm
Capacity: Max. 5Ton
With 5 tons hydraulic decoiler for option
6) HEAVY DUTY Design CZ interchangeable purlin machine exit rack
Un-powered,two units
Other details of CZ interchangeable purlin machine
Suitable for material with thickness 1.5-3.5mm
Shafts manufactured from 45#,Main shaft diameter=φ105mm,precision machined
Motor driving,Gear chain transmission, 16 rollers to form and 7 rollers for straightening and levelling
Main motor=30KW , Frequency speed control. Forming speed: 18-20m/min
PLC Control System (Touch screen: German Schneider Electric/Taiwan WEINVIEW,
Inverter: Finland VOCAN/Taiwan DELTA/ALPHA, Encoder:Japan Koyo/Omron)
Just adjust required WEB,HEIGHT and LIP by hand wheel with the help of
position clock(with digit display for easy operation) on it,
and then input the required production data on the touch screen.
It takes only 5-10 minutes to finish all. No need to change rollers or spacers or cutters
like traditional old style machine (which takes over 45 minutes for each production size changing).
Combined with: PLC, Inverter, TouchScreen, Encoder, etc
Cut-to-length tolerance≤±2 mm
Control Voltage 24V
User's manual in English
After-sale service of CZ interchangeable purlin machine
1. The warranty of HEAVY DUTY Design CZ interchangeable purlin machine
is one year after the client receives the machine.
Within one year, we will courier the replacement parts to the client free of charge.
2. We offer technical support for the entire life of our machines.
3. We can send our technicians to install and train the workers in the clients' factories with extra cost.
Terms of trade
1. Minimum order quantity (MOQ): 1 piece
2. Delivery time: about 45 workdays
3. Port of loading: port of Xiamen
4. Type of payment: by T/T or by L/C
5. Export: Australia, UK, Ireland, Mexico, Brazil ,Israel ,Dubai, Russia ,India, Taiwan, Singapore,
Malaysia ,Thailand, Philippines, Myanmar ,Vietnam, South Africa, Mozambique,
Zambia, Zimbabwe, Nigeria, Egypt, Sudan, etc.